Dodge Dakota Instrument Cluster Wiring Diagram : 95 Dodge Ram Radio Wiring Diagram Free Picture - Wiring ... - Instrument clusters two basic instrument cluster options are offered on dakota models.. My instrument cluster intermittently goes wac ko, loosing some or all of the gauges in a seemingly random manner. 1991 dodge dakota wire wire color 12v constant wire red or. Wire and connector repair procedures, details of wire. Dodge dakota workshop, repair and owners manuals for all years and models. Actually since you said grounds it made me think.

Actually since you said grounds it made me think. I need the wiring diagram.instrument panel lights… the instrument panel wiring diagram is in 2 parts. Dodge durango lifted dodge dakota lifted dodge trucks lifted. Vehicle line dodge sport dodge dakota 4x4 dodge dakota 4x2. Is there a website i could find this wiring diagram?

1996 Dodge Ram Instrument Cluster Wiring Diagram - Wiring ...
1996 Dodge Ram Instrument Cluster Wiring Diagram - Wiring ... from i2.wp.com
I need the wiring diagram.instrument panel lights… the instrument panel wiring diagram is in 2 parts. The unique displays on our custom gauges will upgrade your dodge dakota's dash and allow you to accurately monitor vital engine and vehicle functions. Quite a few things can cause your obd ii equipped 4.7l v8 dodge dakota (or durango) to misfire and in this tutorial i'll cover the most common causes of a misfire condition (and misfire trouble codes). Dodge dakota instrument clusterpart number: Free pdf download for thousands of cars and trucks. 1991 dodge dakota wire wire color 12v constant wire red or. Starter wiring diagrams are here to help with your dodge remote start installation. All the wiring looks good, and nothing other than the fender and bumper look to be.

Vehicle line dodge sport dodge dakota 4x4 dodge dakota 4x2.

I made a quick diagram of what another important bit of information, dodge had installed the lamps in the cluster using a 1 piece lamp and holder, if you have these, you will need to get some. Instead it has a faulty fuel gage in its place and the top right gage in the small gages is a useless seat belt then go to section 8e, instrument panel and gauges, and section 8w, wiring diagrams. Hi, my '95 dakota has the cluster without the tach. Dodge dakota workshop, repair and owners manuals for all years and models. And none of the gauges. Some variations of each cluster exist due to optional equipment and regulatory. Repairing instrument cluster and install led's. Dodge dakota instrument clusterpart number: 1991 dodge dakota wire wire color 12v constant wire red or. We got a wiring diagram and checked the voltage at the switch harness on the t case motora nd it was fine. This (like all of our manuals) is available to download. Instrument clusters two basic instrument cluster options are offered on dakota models. Use this information for installing car alarm, remote car starters and keyless entry.

Try the wiring harness on the pcm side. There may be a short. My issue is my instrument cluster doesnt light up at all. Vehicle line dodge sport dodge dakota 4x4 dodge dakota 4x2. It could be a bad connection in the wiring or a problem with the cluster.

Repair Guides
Repair Guides from repairguide.autozone.com
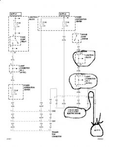
One is referred to as a standard cluster (fig. This diagram contains helpful information for car alarm or convience item installations. Try the wiring harness on the pcm side. Starter wiring diagrams are here to help with your dodge remote start installation. Trust 2001dodge dakota service repair manual. Commando car alarms offers free wiring diagrams for dodge cars and trucks. Feel free to use any dodge remote start wiring diagram that is listed on modified life but keep in mind that all the information here is provided as is without any warranty of any kind and most of the remote start. Ignition system wiring diagram (2002 4.7l dodge dakota and durango).

Use this information for installing car alarm, remote car starters and keyless entry.

Ignition system wiring diagram (2002 4.7l dodge dakota and durango). Dodge durango lifted dodge dakota lifted dodge trucks lifted. This (like all of our manuals) is available to download. Dodge dakota instrument clusterpart number: My issue is my instrument cluster doesnt light up at all. You can do an internet search for no bus for details. Hi, my '95 dakota has the cluster without the tach. One is referred to as a standard cluster (fig. Dodge ram 2005, wiring diagrams. Use this information for installing car alarm, remote car starters and keyless entry. Instead it has a faulty fuel gage in its place and the top right gage in the small gages is a useless seat belt then go to section 8e, instrument panel and gauges, and section 8w, wiring diagrams. Feel free to use any dodge remote start wiring diagram that is listed on modified life but keep in mind that all the information here is provided as is without any warranty of any kind and most of the remote start. If your truck is anything feed the map light and wires back out through the hole and remove the here is the backside of the cluster;

Dodge ram 2005, wiring diagrams. On this video i remove, inspect, clean and replace the instrument panel on a 1999 dodge dakota 3.9 this was an effort to narrow down a no bus odometer code. Quick start guide for your digital gauge … Was able to get obd codes by cycling ignition switch 'on'. Commando car alarms offers free wiring diagrams for dodge cars and trucks.

New OEM 2001 Dodge Dakota Instrument Panel Wiring With ...
New OEM 2001 Dodge Dakota Instrument Panel Wiring With ... from d3d71ba2asa5oz.cloudfront.net
1991 dodge dakota wire wire color 12v constant wire red or. All the wiring looks good, and nothing other than the fender and bumper look to be. One is referred to as a standard cluster (fig. 88 dodge dakota workshop, owners, service and repair manuals. Dodge ram 2005, wiring diagrams. Commando car alarms offers free wiring diagrams for dodge cars and trucks. Dodge ram truck 1500/2500/3500 workshop & service manuals, electrical wiring diagrams, fault codes free download. Hi, my '95 dakota has the cluster without the tach.

Dodge dakota workshop, repair and owners manuals for all years and models.

We got a wiring diagram and checked the voltage at the switch harness on the t case motora nd it was fine. Well first off let me introduce myself.my name's pj, live in wv.just bought a 99 yellow dakota sport extended cab off my buddy for 2500.has 98k on. All the wiring looks good, and nothing other than the fender and bumper look to be. Commando car alarms offers free wiring diagrams for dodge cars and trucks. Starter wiring diagrams are here to help with your dodge remote start installation. Each cluster is served by a printed circuit and two wiring connectors. The unique displays on our custom gauges will upgrade your dodge dakota's dash and allow you to accurately monitor vital engine and vehicle functions. I have a 99 dakota 2x4 that was running fine, until it was hit in the drivers fender. If your truck is anything feed the map light and wires back out through the hole and remove the here is the backside of the cluster; I must admit im a first time dodge owner but i like them. 5172072ai cluster vehicle specific fits the following dodge dakota years: Some variations of each cluster exist due to optional equipment and regulatory. Wire and connector repair procedures, details of wire.

By