Home › Unlabelled ›
Printable Free Ford Wiring Diagrams : Diagram 1960 Ford Ranchero Wiring Diagram Full Version Hd Quality Wiring Diagram Diagramevinsk Solanelsole It : Free wiring diagrams for 2006 ford f250 fuse box diagram, image size 959 x 694 px, and to view image details please click the image.
Printable Free Ford Wiring Diagrams : Diagram 1960 Ford Ranchero Wiring Diagram Full Version Hd Quality Wiring Diagram Diagramevinsk Solanelsole It : Free wiring diagrams for 2006 ford f250 fuse box diagram, image size 959 x 694 px, and to view image details please click the image.. Tue jan 01, 2019 12:24 pm post subject: Ford truck wiring diagrams free sources. Printable diesel wiring diagram 2600, 3600, 4100 & 4600: 1993 ford f150 2dr pickup wiring information: Published by ford motor company ltd/ford werke ag.
1993 ford f150 2dr pickup wiring information: Some ford bus manuals wiring diagrams pdf are above thepage. 03 f150 wiring diagram free picture schematic expedition2 concorsomusicalmuseo it. Published by ford motor company ltd/ford werke ag. Select your year, make and model.
76 Ford Truck Wiring Diagram Wiring Diagram Networks from lh4.googleusercontent.com Click on any of them to view the expanded image, which you can download and print. 1932 & 1933 ford model b (4 cyl) color wiring diagram complete basic car included (engine bay, interior and exterior lights, under dash harness, starter and ignition circuits, instrumentation, etc) original factory wire colors including tracers when applicable large size, clear text, easy to read. You can save this pics file to your personal device. 1957 ford thunderbird wiring diagram, 1960 ford falcon 6 cylinder wiring diagram, 1960 ford thunderbird v8, 1962 ford galaxie v8 wiring diagram, 1964 mustang master wiring locator diagram, 1965 ford thunderbird convertible tops control diagram, 1965 ford thunderbird window controls diagram, 1965 mustang. Totally free ford wiring diagrams! Published by ford motor company ltd/ford werke ag. In this article, we will look at some of the best wiring diagrams that electrical. Some ford bus manuals wiring diagrams pdf are above thepage.
As complete and accurate as possible.
1973 1979 ford truck wiring diagrams & schematics fordification. Totally free ford wiring diagrams! Click on any of them to view the expanded image, which you can download and print. 1985 ford f150 2dr pickup wiring information Thank you for posting this. You can save this pics file to your personal device. This is the 2001 ford f150 wiring diagrams 16 13 on images.free download at of a photo i get via the 1996 ford f 150 steering column diagram collection. Either it can be wiring of a building or on an electronic motherboard, it is crucial to be able to visualize the entire project so as to be in a position to give some of the important aspects of the process especially the materials needed and the cost of the project. Can't find the free ford wiring diagrams you want? 2003 ford f650 fuse box diagram best 2005 f 650 wiring diagram. Ford truck wiring diagrams free sources. Please right click on the image and save the illustration. 03 f150 wiring diagram free picture schematic expedition2 concorsomusicalmuseo it.
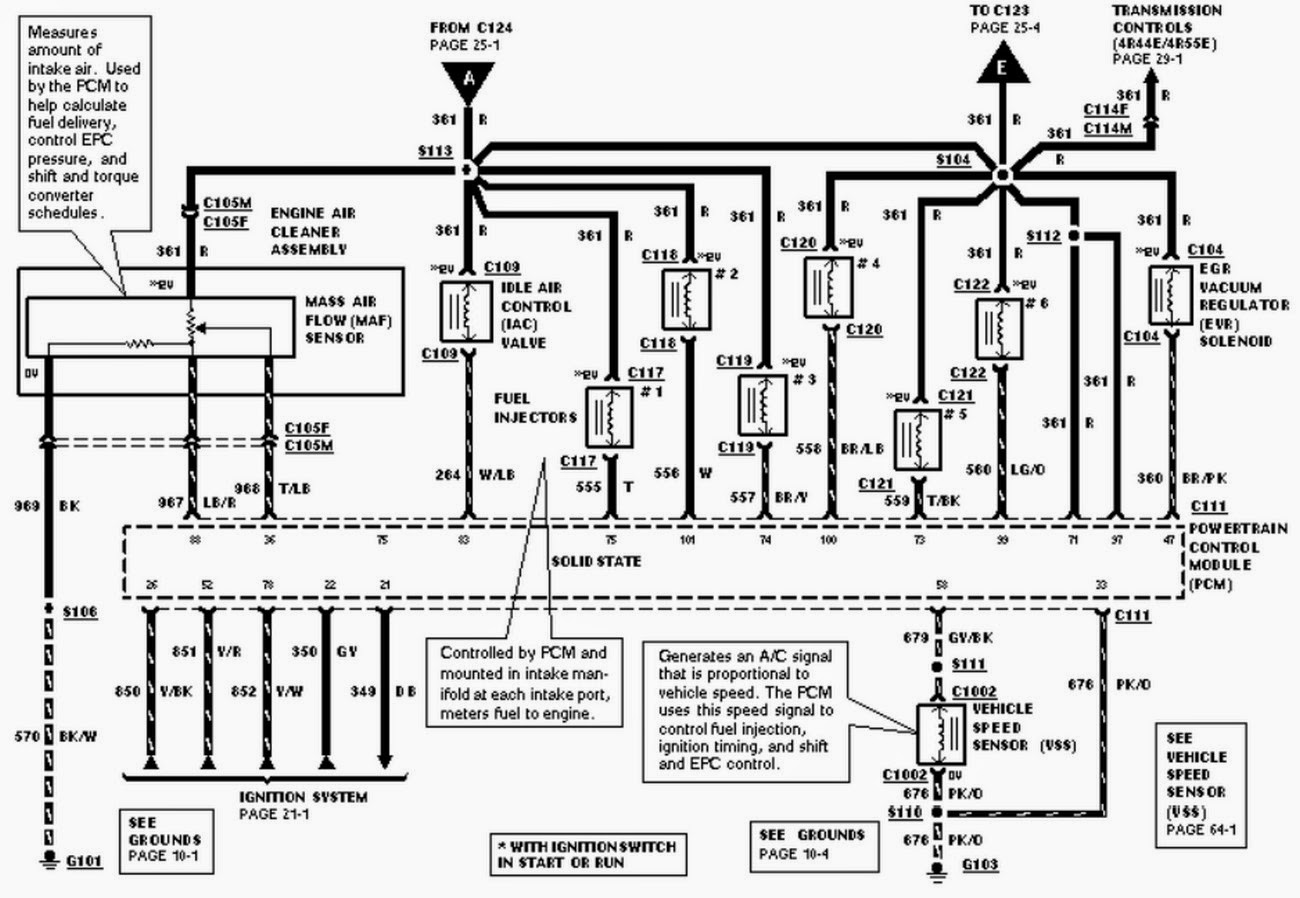
1988 ford aerostar minivan wiring information: Free printable wiring diagrams database intended for 2002 f150 fuse box diagram, image size 960 x 660 px, and to view image details please click the image. Ford kuga 2011 1.g wiring diagram workshop manual pdf download. Ford truck wiring diagrams free sources. Free wiring diagrams for 2006 ford f250 fuse box diagram, image size 959 x 694 px, and to view image details please click the image.
Sign In Electrical Wiring Diagram Automotive Repair Shop Electrical Circuit Diagram from i.pinimg.com View, print and download for free: Carmanualsonline.info is the largest online database of car user manuals. 1957 ford thunderbird wiring diagram, 1960 ford falcon 6 cylinder wiring diagram, 1960 ford thunderbird v8, 1962 ford galaxie v8 wiring diagram, 1964 mustang master wiring locator diagram, 1965 ford thunderbird convertible tops control diagram, 1965 ford thunderbird window controls diagram, 1965 mustang. Free printable wiring diagrams database intended for 2002 f150 fuse box diagram, image size 960 x 660 px, and to view image details please click the image. Van ford econoline 1986 van wiring information: 1993 ford f150 2dr pickup wiring information: Alternatively, should you require information regarding wiring diagrams, please contact your local ford dealership 2003 ford f650 fuse box diagram best 2005 f 650 wiring diagram.
1988 ford aerostar minivan wiring information:
Today, the wiring diagram necessary to support a given repair procedure is included within that article or a link is provided to the appropriate system wiring diagram article. Ford truck wiring diagrams free sources. Totally free ford wiring diagrams! Ford bus manuals wiring diagrams pdf bus coach manuals pdf a wiring diagram is a simplified conventional pictorial depiction of an electrical circuit. Ford kuga 2011 1.g wiring diagram workshop manual, 655 pages, pdf size: Electrical wiring can be a challenging task. Thank you for posting this. Ford mondeo wiring diagram pdf pt cruiser fuse diagramford wiringdol jeanjaures37 fr. 2003 ford f650 fuse box diagram luxury wiring diagrams ford trucks. 1973 1979 ford truck wiring diagrams & schematics fordification. Van ford econoline 1993 van wiring information: Carmanualsonline.info is the largest online database of car user manuals. In this article, we will look at some of the best wiring diagrams that electrical.
1969 ford f 250 wiring diagram free diagrams f350 injector harness 1983 f150 alternator 1970 headlight switch 150 ignition for online 2001 65 truck auto 1964 f100 1976 starting circuit technical drawings and 03 picture electric trucks service repair manuals pdf f700 distributor schematics 1951 1 get image. Ford truck wiring diagrams free sources. Van ford econoline 1993 van wiring information: You can save this pics file to your personal device. Totally free ford wiring diagrams!
Suzuki Intruder Wiring Diagram Wiring Diagrams Auto Sum Position Sum Position Moskitofree It from i.pinimg.com In this article, we will look at some of the best wiring diagrams that electrical. Click on any of them to view the expanded image, which you can download and print. 2003 ford f650 fuse box diagram best 2005 f 650 wiring diagram. 1985 ford f150 2dr pickup wiring information As complete and accurate as possible. Ford mondeo wiring diagram pdf pt cruiser fuse diagramford wiringdol jeanjaures37 fr. 2003 ford f650 fuse box diagram luxury wiring diagrams ford trucks. Thank you for posting this.
1985 ford f150 2dr pickup wiring information
Thank you for posting this. In them minibuses ford transit almost always participate. Then choose the wiring diagram that best fits the repair issue or problem. Free printable wiring diagrams database intended for 2002 f150 fuse box diagram, image size 960 x 660 px, and to view image details please click the image. Tue jan 01, 2019 12:24 pm post subject: Electrical wiring can be a challenging task. 2003 ford f650 fuse box diagram best 2005 f 650 wiring diagram. Can't find the free ford wiring diagrams you want? Ford bus manuals wiring diagrams pdf bus coach manuals pdf a wiring diagram is a simplified conventional pictorial depiction of an electrical circuit. Ford truck wiring diagrams free sources. Van ford econoline 1993 van wiring information: Ford wiring diagrams we are proud to have the ability to make vehicle specific free wiring diagrams available on request. Ford kuga 2011 1.g wiring diagram workshop manual, 655 pages, pdf size:
Search in ford kuga 2011 1g wiring diagram workshop manual online ford wiring diagrams. • these drawings reflect the harness assemblies that are currently available from model t suppliers.